一、產品概述
該電機體積小、自重輕、結構、外形美觀,不僅可配套于CD1、MD1電動葫蘆,還可廣泛應用于電鍍、建筑、印刷等機械設備上。
二、ZD1系列電機安裝及外形尺寸
| 型號/項目 | 功率KW | 軸伸花鍵 | L1 | L2 | L3 | Φ1 | Φ2 | Φ3 | Φ4 |
| ZD1 21—4 | 0.8 | 6D-20dc4×16dc7×4de4 | 24 | 70 | 316 | Φ172 | Φ220h8 | Φ196 | Φ9 |
| ZD1 22—4 | 1.5 | 6D-20dc4×16dc7×4de4 | 24 | 71 | 355 | Φ174 | Φ235h8 | Φ196 | Φ13.5 |
| ZD1 31—4 | 3 | 6D-20dc4×16dc7×4de4 | 30 | 109 | 424 | Φ215 | Φ290h8 | Φ205 | Φ13 |
| ZD1 32—4 | 4.5 | 6D-28dc4×23dc7×6de4 | 30 | 98 | 437 | Φ215 | Φ320h8 | Φ260 | Φ13 |
| ZD1 41—4 | 7.5 | 10D-35dc4×28dc7×4de4 | 35 | 120 | 525 | Φ260 | Φ380h8 | Φ286 | Φ17 |
| ZD1 51—4 | 13 | 10D-40dc4×32dc7×5de4 | 40 | 172 | 670 | Φ300 | Φ455h8 | Φ340 | Φ17 |
三、ZD1系列電機安裝及外形尺寸
| 型號/項目 | 功率KW | 軸伸花鍵 | L1 | L2 | L3 | Φ1 | Φ2 | Φ3 | Φ4 |
| ZDY111-4 | 0.2 | 4D-15dc4×12dc7×4de4 | 22 | 15 | 261 | Φ75h7 | Φ110 | Φ90 | Φ7 |
| ZDY112-4 | 0.4 | 4D-15dc4×12dc7×4de4 | 22 | 15 | 281 | Φ75h7 | Φ110 | Φ90 | Φ7 |
| ZDYA0.8 | 0.8 | 6D-20dc4×16dc7×4de4 | 24 | 20 | 315 | Φ100h7 | Φ140 | Φ120 | Φ10 |
| Φ130h7 | Φ190 | Φ165 | Φ12 | ||||||
| ZDY121-4 | 0.8 | 6D-20dc4×16dc7×4de4 | 24 | 20 | 329 | Φ100h7 | Φ140 | Φ120 | Φ9 |
| ZDQ0.8 | 0.8 | 6D-20dc4×16dc7×4de4 | 24 | 70 | 315 | Φ176 | Φ220h8 | Φ196 | Φ10 |
| Φ176h7 | Φ220 | Φ200 |
1、產品描述
1.1 YZR和YZ系列是最新的設計,具有大過載能力和高機械強度,特別適合驅動各種類型的冶金機械和起重機和/或其他類似設備。YZR系列為繞線轉子電機,YZ系列為籠型電機。
1.2 電動機可在以下環境條件下正常運行:
(1) 冷卻介質溫度不超過60攝氏度(用于治金目的的電機)或40攝氏度(適用于起重機用途的電機)
(2) 標高不超過1000m
(3) 持續/頻繁且明顯的機械振動和沖擊
1.3 電動機在下列負載條件下可以正常工作:
(1)頻繁啟動和倒車
(2)頻繁的電制動或機械制動
1.4 電動機的額定頻率為50Hz,額定電壓為380V
1.5 連接:132kW及以下定子繞組以連接,其余定子繞組以G連接
1.6 型號命名

1.7 輸出功率和速度
基本負載類型(S,40%)的額定輸出和同步速度范圍如表1所示。(籠式電機制造,粗線塊規格)表(2)
1.8 對于YZR系列電動機,當使用基本負載型時,表2中給出了額定電壓下最大轉矩與額定轉矩之比的保證值表(2)

1.9 對于YZ系列電動機,當使用基本負載型時,表3給出了額定電壓下最大轉矩和堵轉轉矩與額定轉矩之比的保證值

2、電機工程及技術參數
2.1電動機的額定電壓為380V,額定頻率為50Hz。
2.2電機適用于間歇性周期性負載。根據不同的負載,有以下負載類型:
2.21間歇周期性占空比類型(S3)是一系列相同的占空比,每個占空比包括一段恒定負載下的工作時間和一段休息和斷電時間(見圖1)。在這種占空比中,每個循環的啟動電流不會顯著影響電機的溫升:每10分鐘作為一個循環,即每小時啟動6次。
2.2.2帶啟動的間歇周期工作型(S4)一系列相同的占空比,每個占空比包括一個重要的啟動周期、一個恒定負載運行周期以及一個休息和斷電周期(見圖2)。每小時啟動次數分別為150、300和600次。
2.2.3帶電制動的間歇周期性占空比(S5)這是一系列相同的占空比,每個占空比包括一個啟動周期、一個恒載運行周期、一段快速電制動周期以及一段休息和斷電周期(見圖3)。
2.3在選擇電機時,需要將不同類型的起動和制動狀態根據等效關系減少為等效起動次數。然后將其用于確定電動機的額定值。表4給出了一個典型的簡化示例。
還原法:
減速方法四次點動(最終速度不超過額定速度的25%)相當于啟動一次電制動(制動到1/3額定速度)一次相當于啟動0.8次E
2.4電機的基本工作類型為S3-40%。每種工作類型的技術數據見表5。電機銘牌上的信息通常是根據基本工作類型提供的,也可以定制信息。如果電機需要在S2-S5以外的負載類型下運行,則有必要咨詢制造商


電機工程及技術參數表(5-1)
電機工程及技術參數表(5-2-1)
電機工程及技術參數表(5-2-2)
3、電動機結構
3.1絕緣等級
電機有兩個絕緣等級,即F級和H級。F級適用于冷卻介質溫度不超過40℃的情況,而H級適用于冷卻介質溫度不超過60攝氏度的情況。任何一種絕緣等級的電機與另一種絕緣級別的電機具有相同的電氣性能。
3.2防護等級
通用電機的防護等級為1P44,冶金電機的防護級別為1P54。
3.3冷卻方式
對于機架尺寸112132,自然冷卻,對于機架尺寸160355,(C0041),內置風扇冷卻(1C0141)對于框架尺寸400,外部風扇冷卻,帶內部循環通風,(C0151)
3.4關于結構和安裝安排,見表6

3.5可根據用戶尺寸或要求提供軸擴展
3.6驅動類型:電機設計用于聯軸器或正齒輪驅動。使用正齒輪傳動時,小齒輪的節距直徑不應小于軸延伸部分的兩倍
3.7定子的接線盒安裝在機架的頂部,可以在機架的兩側進行連接。對于轉子。可以在蓋子的任一側進行連接
3.8電刷類型為)201,其規格見表7

3.9軸承類型見表8

3.10電機零部件名稱見圖4

4、安裝外形尺寸
表9YZR系列IM安裝外形尺寸
4.1YZRM1I12-400整體安裝尺寸見表
4.2YZIM112-250的總體安裝尺寸見表10
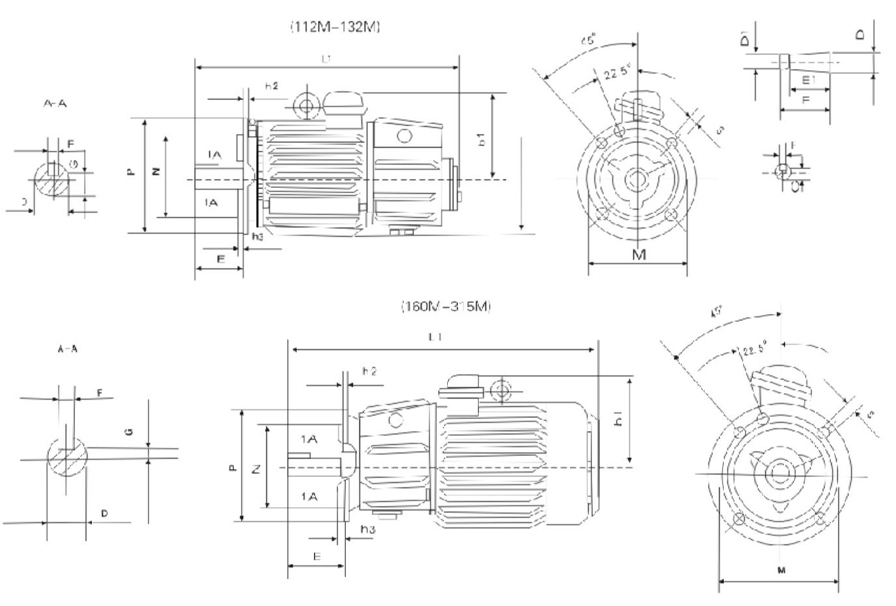
4.3YZR1m3安裝方式外形及安裝尺寸見表二
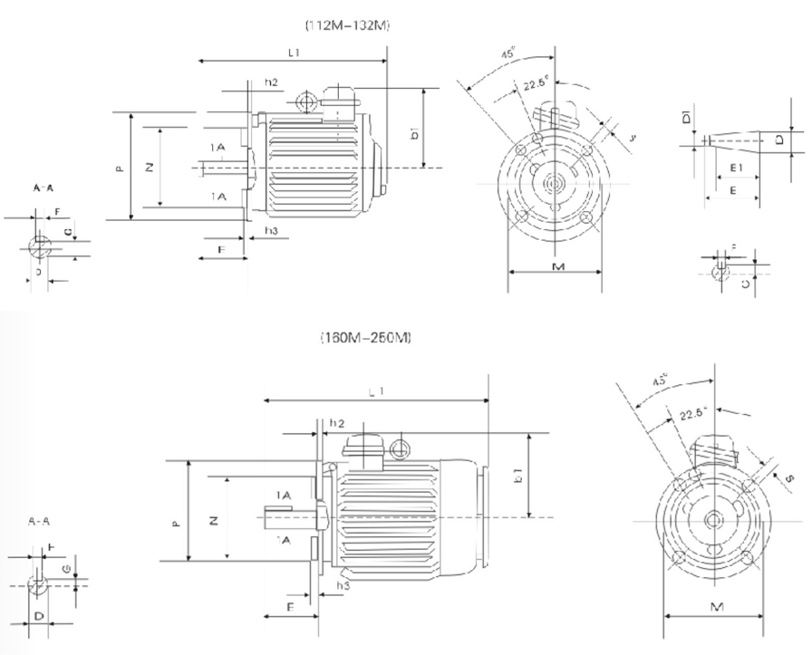
4.4YZIM3安裝方式的總體安裝尺寸見表12
表10 YZ IMI系列安裝外形尺寸

表11 YZR IM.3001IM3003和IM3013尺寸表

表12YZM3001,IM3003和IM3011,Im3013尺寸表












